RX70

小型受信機

                                          2017/01/06
 



1.概要
 モノワイヤレス株式会社のTWE-LITEを使った2.4GHz帯受信機です。
リポ1セル専用で、RCサーボ3CH、バック付きモータースピードコントローラ(スピコン)1CH、デジタル出力7CH(出力用トランジスタは1CHのみ実装)を駆動可能です。
スピコンは、バック側のパワーを100%、50%、25%、0%から選択でき、0%にするとバックが無効になるため飛行機にも使用できます。
対応する送信機はTX60です。
他社の送信機との互換性はありません。
プリント基板に0.8mm厚を使用したため少々重くなっています。今後は基板厚を薄くして更に軽量化したいと思っています。



2.機能
 ●2.4GHz帯受信機
 ●サーボ信号出力:3CH(送信機から見て1CH目、2CH目、4CH目に割り当て)
 ●スピコン:1CH(ブラシ・モーター専用 、送信機から見て3CH目に割り当て)
 ●デジタル出力:7CH(出力用トランジスタは1CHのみ実装)



3.仕様(部品実装基板)
 ●電源 3.7V (LiPo 1セル専用)
 ●消費電流 20mA
 ●スピコン電流 : 3Amax
 ●デジタル出力電流 : 100mAmax
 ●オートカット電圧 : 3.1V
 ●電波到達距離 地上100m(TX60との組み合わせ)
 ●外形 16*16*5
 ●重量 1.6g



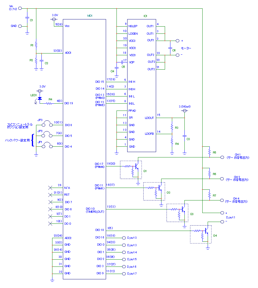
4.回路図
MD1(無線マイコン)の端子名は、デバイス本来の名前になっています。また、ピン番号()内は、TWE-LITE DIPのピン番号です。





5、部品表
部品番号 部品名 仕様 メーカー 備考 
 MD1  無線マイコン  TWE-LITE(面実装タイプ)  モノワイヤレス  マッチ棒アンテナタイプ
 IC1  モータードライバ  DRV8850  TI  
 Q1〜Q4  抵抗内臓トランジスタ  RN1105   東芝  
 LED1  LED   UR1111C  スタンレー電気  
 C1  セラミック・コンデンサ  10uF/10V     
 C2  セラミック・コンデンサ  1uF/10V    
 C3  セラミック・コンデンサ  2.2uF/10V    
 C4  セラミック・コンデンサ  10uF/10V    
 C5  セラミック・コンデンサ  0.1uF/10V    
 C6  セラミック・コンデンサ  0.1uF/10V    
 R1  抵抗  3.3kΩ    
 R2  抵抗  3.3kΩ    
 R3  抵抗  27kΩ    
 R4  抵抗  10kΩ     
 R5〜R7  抵抗  2.2kΩ    



6 プログラムの書き込み
 本回路は、TWE-LITEにファームウェアを書き込む必要があります。
自作する場合は、下記ファイルをダウンロードし、書き込みを行って下さい。
送信機と受信機は、ファームウェアが異なりますので、ご注意ください。
ファームウェアの書き込み方法は、モノワイヤレス(株)のサイトを参照して下さい。
(右クリックで ”対象をファイルに保存” を選択)

rx7001.bin



7.配線
 配線は下図を参照して下さい。
サーボ信号のCH3目は、スピコンに割り当てられており、サーボ信号出力としてはありません。





8.アンテナについて
 アンテナは、長さ32mmの電線を取り付けただけのワイヤーアンテナにしました。
RX60参照。



9.デジタル出力について
 本受信機は、7CHのデジタル出力が可能です。
ただ、基板スペースの関係で、出力トランジスタは、1CHのみの実装としています。
詳細については、RX60を参照して下さい。



10.動作説明
 本システムでは、送信機から受信機に一方方向に通信を行い、受信機からは電波信号は出しません。
  送信機からの信号を受信すると基板上のLEDが点灯します。
 電源電圧が、約3.1Vまで低下するとモーターを停止させますが、電圧が復活すると自動再起動します。通常、動力用モーターが停止すると電源電圧は回復しますから、実際の動作は、1〜2秒間隔でモーターがON/OFFを繰り返すような動作になります。



11.設定
11.1 バインド
 本回路の受信機は、混信を防止するために送信機とバインドする必要があります。(バインドが完了していないと動作しません)
バインド方法については、TX60を参照して下さい。

11.2 バックパワーの変更
 スピコンは、前進/バック可能ですが、模型によっては、バックのパワーを制限したい場合があります。
バックパワーの変更は、ジャンパー(JP1、JP2)で設定できます。
ジャンパーの設定は、下表を参照して下さい。

JP1  JP2  バックパワー 
 オープン  オープン  100%
 ショート  オープン  50%
 オープン  ショート  25%
 ショート  ショート  0%(バックなし)




11.3 スピコン・ニュートラル・ポジションの変更
 標準状態では、スピコンのニュートラルは、スティック中央(50%位置)ですが、ニュートラル・ポジション変更のジャンパー(JP3)をショートさせると25%位置に変更することが出来ます。
 飛行機用などでバックパワーを0%にした場合のニュートラル・ポジションとは、モーターがON/OFFの境界をさします。




11.4 サーボの回転方向
 サーボ・モーターの回転方向を変えたい場合は、変更することが出来ます。
例としてラダーサーボ回転方向を変える場合について説明します。
@送信機の電源をONして、ラダースティックを右(送信機のポテンショメータの接続によっては左)いっぱいに倒します。(設定が完了するまでスティックは倒したまま)
A受信機の電源をONする。
Bそのまま5秒以上待つ。
以上でサーボの回転方向変更完了です。
この操作は、1度行えば、その後の電源ONでも反映されます。
再度同じ操作を行うと、サーボの回転方向は反転(つまり元の回転方向に戻る)します。
他のサーボ用チャンネルも同様に変更できますが、スピコンは変更できません。



12.使用上の注意
・飛行中(走行中)に、送信機の電源をOFFしてしまうと、電波信号を見失った受信機は自分の相手送信機の信号を探索するモードに移行します。相手の送信機の信号を見つけるまでの数秒間は、通信不能になります。